Z7A type locking assembles

Short Description:

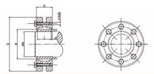
Locking assembles is a mechanical assembly component that secures to a shaft by applying pressure to mate its inner taper with the shaft, enabling the transmission of torque and force while allowing axial relative motion. Its advantages include easy installation, high torque transmission efficiency, and widespread use in industrial machinery and automotive industries.


Product Detail

Product Tags

Compared with the general expansion sleeve, the Z7A expansion sleeve has the following advantages:

1. Precise connection: The Z7A expansion sleeve is designed accurately to provide reliable axial fixation and ensure accurate alignment between the shaft and the mechanical element.

2. High transmission efficiency: Due to the high design accuracy, Z7A expansion sleeve can effectively transmit torque and force to ensure the efficient operation of the mechanical system.

3. Strong durability: Manufacturing materials and process optimization, making Z7A expansion sleeve has a long service life and better wear resistance, suitable for long-term high-load operation environment.

4. Easy installation: The installation of Z7A expansion sleeve is relatively simple, usually by applying appropriate pressure can be completed, saving installation time and cost.

In short, the Z7A expansion bushing has significant advantages over ordinary expansion bushing in terms of accuracy, efficiency, durability and installation, and is suitable for industrial applications requiring high precision and high efficiency.截屏2024-07-31 10.53.14

 

Basic size

Rated load

Weight

d

D

dw

Axial force Ft

Torque Mt

w.t

Basic dimensions(mm

kN

kN-m

kg

220

345

180

978

88

35

190

1063

101

200

1140

114

200

1200

120

240

370

210

1276

134

44

215

1312

141

220

1309

144

260

395

230

1384

159

48

235

1421

167

230

1478

170

280

425

240

1583

190

60

250

1680

210

250

1704

213

300

460

260

1800

234

75

270

1889

255

270

1955

264

320

495

280

2036

285

84

290

2076

301

340

535

290

2193

318

100

300

2300

345

305

2354

359

300

2547

382

360

555

310

2645

410

125

320

2738

438

330

3091

510

390

595

340

3194

543

156

350

3291

576

350

3371

590

420

630

360

3500

630

185

370

3620

670

390

3949

770

460

685

400

4300

860

235

410

4634

950

420

4881

1025

500

750

430

5233

1125

320

440

5568

1225


  • Previous:
  • Next:

  • Related Products