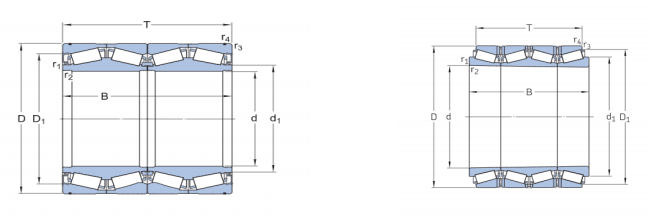
Four row tapered roller bearing OD:295mm/OD:314.325mm/OD:338mm/OD:349.148mm/OD:327.025mm
|
Designations |
Boundary Dimensions |
Basic Load Ratings |
Mass(kg) |
|||
|
d |
D |
B |
Cr |
Cor |
Refer. |
|
|
M249748DGW/ 10/ 10CD |
254 |
358.775 |
269.875 |
2720 |
6050 |
88.9 |
|
LM451349DGW/ 10/ 10CD |
266.7 |
355.6 |
230. 188 |
1950 |
5800 |
63.9 |
|
M252349DW/ 10/ 10CD |
269.875 |
381 |
282.575 |
2930 |
7550 |
105 |
|
EE135111DGW/55/56D |
279.4 |
393.7 |
269.875 |
2880 |
6200 |
103 |
|
M255449DGW/ 10/ 10CD |
288.925 |
406.4 |
298.45 |
3400 |
8150 |
125 |








