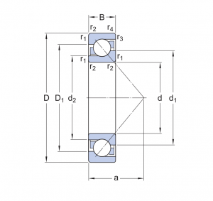
Angular contact ball bearing 7200 7201 7202 7203
|
Designations |
Boundary Dimensions |
Basic Load |
Mass(kg) |
|||
|
d |
D |
B |
Cr |
Cor |
Refer. |
|
|
10 |
30 |
9 |
4.36 |
1.86 |
0.032 |
|
|
12 |
32 |
10 |
5.72 |
2.45 |
0.037 |
|
|
15 |
35 |
11 |
7.15 |
3.2 |
0.037 |
|
|
17 |
40 |
12 |
8.84 |
4 |
0.054 |
|
|
7204 |
20 |
47 |
14 |
11.4 |
5.6 |
0.09 |
|
7205 |
25 |
52 |
15 |
14.8 |
9.3 |
0.13 |
|
7206 |
30 |
62 |
16 |
22.5 |
14.3 |
0.2 |
|
7207 |
35 |
72 |
17 |
29.1 |
19 |
0.28 |
|
7208 |
40 |
80 |
18 |
36.5 |
26 |
0.37 |






